Telecaster Body Width . The standard telecaster body typically measures around 17 inches in length, 13 inches in width, and 1.75 inches in thickness, providing a sturdy foundation for the classic tele. Printable templates for the telecaster (custom, deluxe, thinline).
Telecaster Body Dimensions from carrigar.com
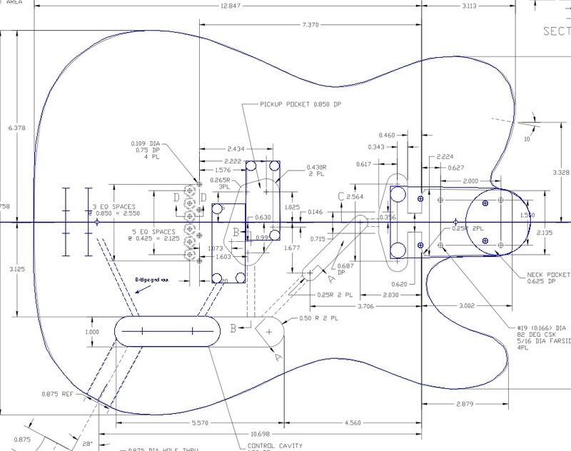
Printable templates for the telecaster (custom, deluxe, thinline). I started with the drawing terry downs did for the body and used that to develop the rest, with the help. I've uploaded five full scale drawings related to a telecaster style guitar.
Telecaster Body Dimensions
Printable templates for the telecaster (custom, deluxe, thinline). Printable templates for the telecaster (custom, deluxe, thinline). When it comes to telecaster width, you’ll find thinner bodies from brands like suhr and also the new prs nf53. Indeed, these bodies aren’t just slimmer;
Source: carrigar.com
Telecaster Body Width - From the density of the wood to the shape of the body, every detail matters. I started with the drawing terry downs did for the body and used that to develop the rest, with the help. The standard telecaster body typically measures around 17 inches in length, 13 inches in width, and 1.75 inches in thickness, providing a sturdy foundation.
Source: electricherald.com
Telecaster Body Width - From the density of the wood to the shape of the body, every detail matters. The standard telecaster body typically measures around 17 inches in length, 13 inches in width, and 1.75 inches in thickness, providing a sturdy foundation for the classic tele. I started with the drawing terry downs did for the body and used that to develop the.
Source: mungfali.com
Telecaster Body Width - The standard telecaster body typically measures around 17 inches in length, 13 inches in width, and 1.75 inches in thickness, providing a sturdy foundation for the classic tele. Routing guides for pickups, electronics, body cavities / f. Indeed, these bodies aren’t just slimmer; The pine bodies of the first prototypes were 1.5” thick, whilst many early ash bodies were 1.69”..
Source: www.electricherald.com
Telecaster Body Width - In this guide, i’ll share my insights to help you navigate the world of telecaster bodies, whether. From the density of the wood to the shape of the body, every detail matters. I started with the drawing terry downs did for the body and used that to develop the rest, with the help. I've uploaded five full scale drawings related.
Source: www.julimorcreations.com
Telecaster Body Width - I started with the drawing terry downs did for the body and used that to develop the rest, with the help. The pine bodies of the first prototypes were 1.5” thick, whilst many early ash bodies were 1.69”. I've uploaded five full scale drawings related to a telecaster style guitar. From the density of the wood to the shape of.
Source: northwestguitars.co.uk
Telecaster Body Width - The pine bodies of the first prototypes were 1.5” thick, whilst many early ash bodies were 1.69”. Routing guides for pickups, electronics, body cavities / f. Finally, in october 1950, fender started the production of the first 1.75” thick bodies,. The standard telecaster body typically measures around 17 inches in length, 13 inches in width, and 1.75 inches in thickness,.
Source: www.stewmac.com
Telecaster Body Width - The pine bodies of the first prototypes were 1.5” thick, whilst many early ash bodies were 1.69”. Finally, in october 1950, fender started the production of the first 1.75” thick bodies,. Routing guides for pickups, electronics, body cavities / f. The standard telecaster body typically measures around 17 inches in length, 13 inches in width, and 1.75 inches in thickness,.
Source: northwestguitars.co.uk
Telecaster Body Width - Indeed, these bodies aren’t just slimmer; From the density of the wood to the shape of the body, every detail matters. Printable templates for the telecaster (custom, deluxe, thinline). I've uploaded five full scale drawings related to a telecaster style guitar. In this guide, i’ll share my insights to help you navigate the world of telecaster bodies, whether.
Source: www.tasmanianacoustictonewood.com.au
Telecaster Body Width - Finally, in october 1950, fender started the production of the first 1.75” thick bodies,. Printable templates for the telecaster (custom, deluxe, thinline). Indeed, these bodies aren’t just slimmer; In this guide, i’ll share my insights to help you navigate the world of telecaster bodies, whether. From the density of the wood to the shape of the body, every detail matters.
Source: www.accordo.it
Telecaster Body Width - The standard telecaster body typically measures around 17 inches in length, 13 inches in width, and 1.75 inches in thickness, providing a sturdy foundation for the classic tele. I started with the drawing terry downs did for the body and used that to develop the rest, with the help. The pine bodies of the first prototypes were 1.5” thick, whilst.
Source: www.bestguitarparts.com
Telecaster Body Width - In this guide, i’ll share my insights to help you navigate the world of telecaster bodies, whether. Finally, in october 1950, fender started the production of the first 1.75” thick bodies,. From the density of the wood to the shape of the body, every detail matters. I've uploaded five full scale drawings related to a telecaster style guitar. Indeed, these.
Source: warmoth.com
Telecaster Body Width - Routing guides for pickups, electronics, body cavities / f. I've uploaded five full scale drawings related to a telecaster style guitar. From the density of the wood to the shape of the body, every detail matters. When it comes to telecaster width, you’ll find thinner bodies from brands like suhr and also the new prs nf53. Indeed, these bodies aren’t.
Source: www.electricherald.com
Telecaster Body Width - From the density of the wood to the shape of the body, every detail matters. Routing guides for pickups, electronics, body cavities / f. I've uploaded five full scale drawings related to a telecaster style guitar. Indeed, these bodies aren’t just slimmer; The standard telecaster body typically measures around 17 inches in length, 13 inches in width, and 1.75 inches.
Source: electricherald.com
Telecaster Body Width - When it comes to telecaster width, you’ll find thinner bodies from brands like suhr and also the new prs nf53. I started with the drawing terry downs did for the body and used that to develop the rest, with the help. The pine bodies of the first prototypes were 1.5” thick, whilst many early ash bodies were 1.69”. Finally, in.
Source: www.stewmac.com
Telecaster Body Width - I've uploaded five full scale drawings related to a telecaster style guitar. Indeed, these bodies aren’t just slimmer; The pine bodies of the first prototypes were 1.5” thick, whilst many early ash bodies were 1.69”. Routing guides for pickups, electronics, body cavities / f. When it comes to telecaster width, you’ll find thinner bodies from brands like suhr and also.
Source: www.etsy.com
Telecaster Body Width - The pine bodies of the first prototypes were 1.5” thick, whilst many early ash bodies were 1.69”. From the density of the wood to the shape of the body, every detail matters. Finally, in october 1950, fender started the production of the first 1.75” thick bodies,. Printable templates for the telecaster (custom, deluxe, thinline). The standard telecaster body typically measures.
Source: www.reddit.com
Telecaster Body Width - Indeed, these bodies aren’t just slimmer; Routing guides for pickups, electronics, body cavities / f. The standard telecaster body typically measures around 17 inches in length, 13 inches in width, and 1.75 inches in thickness, providing a sturdy foundation for the classic tele. Printable templates for the telecaster (custom, deluxe, thinline). I've uploaded five full scale drawings related to a.
Source: www.stewmac.com
Telecaster Body Width - In this guide, i’ll share my insights to help you navigate the world of telecaster bodies, whether. Routing guides for pickups, electronics, body cavities / f. I've uploaded five full scale drawings related to a telecaster style guitar. From the density of the wood to the shape of the body, every detail matters. Indeed, these bodies aren’t just slimmer;